当前位置:首页 > 螺带式锥形混合机

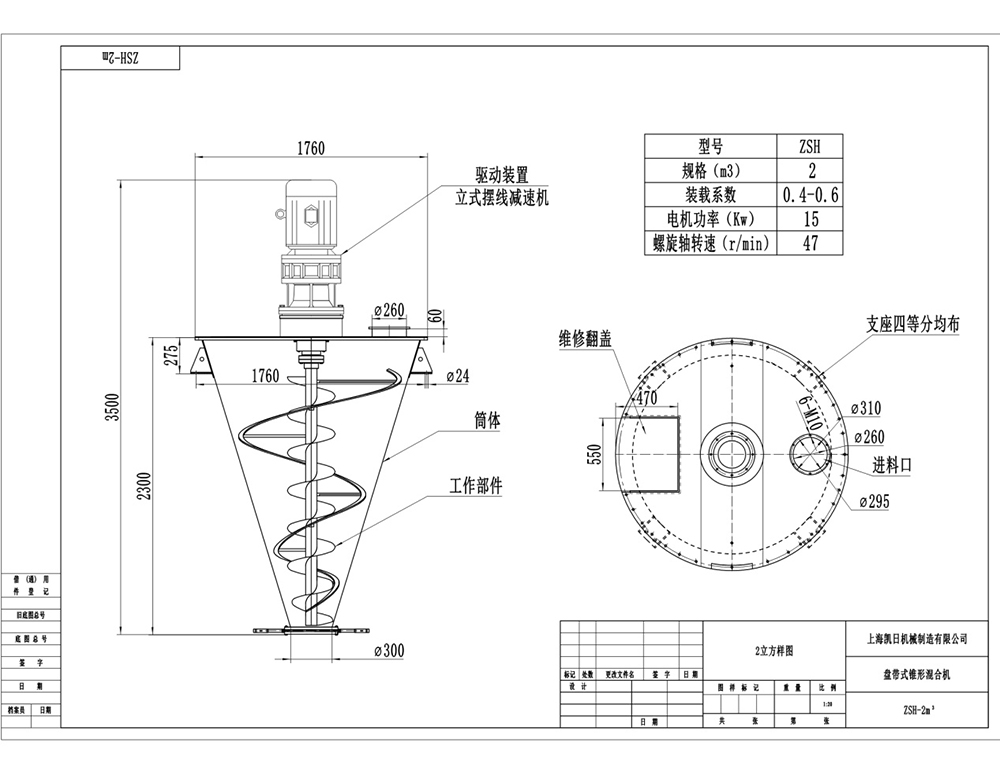
ZSH-系列螺带式锥形混合机

设备特点:结构简单、均匀度高

设备容积:0.015m³-3m³

每次混合量:6Kg-1800Kg(以水的比重1为标准)

混合时间:4分钟-6分钟(特殊物料由用户自定)

驱动功率:1.5KW-22KW

设备材质:碳钢C,不锈钢P,304、321、316L等

适用物料:松散比重0.4-1.2的干粉、晶体颗粒(可添加少量液体)。

该系列机拥有自主创新及专有技术,科技含量高,专项设计、制造、新颖、效率高、节能、性能突出。

凯日牌商标经国家商标局注册,第1629778号,我厂专注生产的新一代“凯日牌”ZSH系列大开门螺带式混合机,在混合制造业中,具有多年的丰富实践经验,是广大用户选购“螺带式锥形混合机”的优选机型,深受用户欢迎和认可。


图片7.jpg

混合机内部的螺带搅拌结构

  • 螺旋叶片一般做成双层和三层

  • 外层螺旋将物料从两侧向中央汇集

  • 内层螺旋将物料从中央向两侧输送

图片8.jpg

混合筒体外配置夹套实现加热或冷却
可在混合机筒体外增加夹套,通过向夹套内注入冷热介质来实现对物料的冷却或加热。冷却一般泵入工业用水,加热可通入蒸汽或导热油。导热油加热方式:

  • 可选在注满导热油的夹套内,配置加热电热耦,满足低加热度要求

  • 可采用外部加热好导热油,再将热油泵入夹套的方式,物料受热更均匀

图片9.jpg

可配置人工加料口或全开式上盖

在架设平台的锥形混合机上,可配置人工倒料的加料口和过筛网格。

在小型设备上,可将筒盖做成全开式,以便于用户人工投料和对设备内部进行清理。

图片10.jpg

梅花出料阀、边出料等多种出料方式可选

一般采用梅花状“错位阀”,此阀与长螺旋底部贴合紧密,有效减少混合死角,驱动形式有手动和气动可选。根据用户需要,也可加装蝶阀、球阀、星形卸料器、边出料等。

图片11.jpg

碳钢、不锈钢多种材质可选

型螺带混合机的板材可以使用市场上所能提供的各种金属材料,通常使用的材料有碳钢、锰钢、304不锈钢、316L不锈钢、321不锈钢等材料。选择正确的材料能保障正常生产出合格的产品,还能确保低的设备成本。

由传动结构、锥形筒、外层螺带搅拌器、内层反向螺杆搅拌器和出料阀组成。

该新一代系列大开门锥形螺带式混合机,沿螺旋线的外圈螺带及锥形中轴线的内圈螺旋,外圈螺带沿筒壁提升物料,内圈螺旋反向作用,漩涡状的物料流动轨迹,使物料在短时间内混合均匀,外全螺带能够全周性的带动物料,在排出料过程中,外圈螺带去除贴壁物料,内圈螺旋排出物料。倒锥形的筒体,使流动性差的物料也能迅速排料,无残留量、干净、采用大开门卸料装置。

因筒体内没有传动结构,不需润滑和密封,无泄漏油危险,很卫生,所以特别适用于医药、电池、食品等对杂质控制严格的行业粉体物料混合。


A、设备的外观处理与选材制作:

筒体外观处理分为:滚花(常规)、喷漆、拉丝、镜面与喷砂,选材时区分混合部分金属材料类别,不锈钢用“P”、碳钢用“C”、筒体内部抛光数值基本为Ra1.6(常规),筒体内部也可喷涂碳化钨,特氟龙等耐腐材料。有关要求在订货时提出说明。

设备材质可选用碳钢C、不锈钢P,304、321、316L等,不同的材质也可互相结合以达到理想的组合效果。

  • 滚花(常规)

  • 喷漆处理

  • 筒体外内部抛光Ra1.6(常规)

B、驱动装置:

锥形双螺旋混合机可根据混合物料的堆积密度、粒目等因素,选择理想的驱动方式,传动减速机采用:摆线针轮、齿轮与摆线针轮、双蜗轮、齿轮与蜗轮、齿轮与齿轮等。电机可配:普通电机、防爆电机、变频电机等。

  • 蜗轮蜗杆减速机(0.3m³-3m³)

  • 摆线针轮减速机(0.08m³-10m³)

  • 齿轮与摆线减速机(0.3m³-10m³)

C、出料方式:

混合机出厂时均配有梅花型转盘式错位阀,可控制放出料速度。大开门出料阀可快速的将物料从筒体内排出,按用户要求该机也可装配蝶阀、闸阀、球阀等国标阀门。出料阀的操作方式,手动用S、电动用J、气动用Q。

  • 梅花阀(常规)

  • 大开门出料阀

  • 手动球阀

  • 气动出料

D、开口布局

混合机筒盖上设有若干孔,供进料、观察、清洗、维修用,按照用户的不同要求进行改造:全开式、半开式翻盖、排气孔、除尘孔、国标法兰对接等。

  • 常规开口

  • 国标法兰开口

  • 除尘口

  • 客户要求开口

E、配套与定做

混合机可配备:电控箱、螺旋上料机、斗式上料机等。

本公司定制双螺旋混合机,常规筒体外进行夹套。一般可进行水蒸气加热及电热丝加热、水冷却等;以便客户对物料的温度进行控制。快速脱卸式方便客户,拆下筒体进行清洗。

  • 电控箱

  • 螺旋上料机

  • 半直筒型

上海凯日专注生产的凯日牌系列螺带式锥形混合机,广泛应用于染料、钛白粉、明胶、纳米材料、科研、医药、农药、畜药、食品、乳制品、食品添加剂、香精、香料、果粉、方便面调料、酿造、食盐、碘盐、多品种盐、味精、调味粉、咖啡、饲料、饲料添加剂、预混料、浓缩料、化工、助剂、化肥、化学、生物、轻工、冶金、矿山、陶瓷、颜料、涂料、塑料、橡胶、碳素、水泥、外加剂、建材、耐火材料、砼添加剂、电池、锂电新材料、电子等各行各业中粉体与粉体混合,粉体中添加微量液体混合,液体与液体混合,液体与粉体;颗粒、片状、短纤维的组合性混合。对混合物适应性强,对过敏性物料不会产生过热、压馈、磨碎,对比重悬殊和粒度不同的物料的混合不会产生分层、离析等现象。


尊敬的新老用户:

您们好!如需详细混合机说明,请告知贵公司名称及您的联系电话,以便我们尽快与您取得联系,谢谢合作!

请扫一扫添加联系

上海凯日机械—专产混合机,13701987676,谢谢!

产品名称

  

姓名

*

联系方式

*

邮箱

*

留言

凯日视频中心

凯日人依照“生产一代 、研发一代 、储备一代”的发展新思路 更多视频

如果您有任何产品上的问题及建议,或您想知道的,您可以随时与我们联系。

关闭
专业工程师为您选型报价

全国销售热线:021-66288666

免费电话,无需话费,输入立即沟通