咨询服务热线
CN | EN
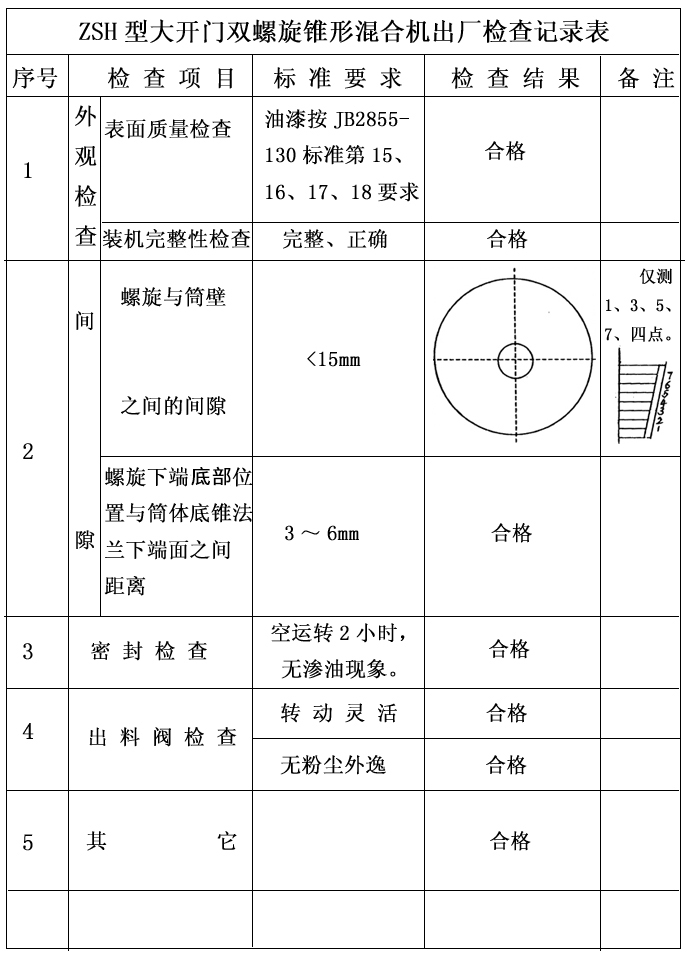
当前位置:首页 > 新闻动态 > E:ZSH型大开门双螺旋锥形混合机出厂检查记录表
凯日视频中心
如果您有任何产品上的问题及建议,或您想知道的,您可以随时与我们联系。
13701987676(林先生)
sales@kairigroup.com
全国销售热线:021-66288666